|
|
|
|
Канал Elite: Dangerous: «УПРАВЛЕНИЕ: джойстики и педали, выбор и настройка. +faq» |
|
|
|
Химик
1655 EGP
    Рейтинг канала: 14(2250) Репутация: 186 Сообщения: 5892 Откуда: Таиланд Зарегистрирован: 13.02.2001
 |
|
Управление: джойстики и педали, выбор и настройка. +faq
_________________
_________________
Общие вопросы существования и функционирования устройств и программ желательно обсуждать в Железном Канале.
Т.е. модераторы оставляют за собой право ограничивать любые излишние ветви дискуссии.
Претензии и вопросы по работе фирм (в т.ч. гадания по их будущим планам) направляйте к ним лично через доступные средства связи.
Связанные темы:
» Железо + сис.требования, 3Д. +faq
» Управление: мышь, клавиатура. +faq
» Управление: ГОЛОСовое управление +faq
» Управление: "взглядом", инерционное и прочее "нестандартное" +faq
» ВИДЕОРОЛИКИ: официальные, геймплей, обзоры и инструкции.
Какие характеристики джойстика рекомендуются?
В идеале нужно под две руки, причем на левой кроме кроме РУД,
желательно иметь еще ось-две. В ED 5 осей маневренности (включая вертикальное и боковое горизонтальное движение, т.н. "strafe") + тяга.
Ролик на тему осей от пилота Arn.
Но можно и устройства попроще.
|
Кратенько об осях (кликните здесь для просмотра)
Ну, здесь всё относительно просто (нумерация случайна):
- одна ось: рычажок, это управление тягой(скоростью) - у дешевых джойстиков может не быть,
- вторая-третья ось: это движение ручки вперед-назад, влево-вправо - т.е. вращение корабля "вокруг прицела" (крен) и движение носом вверх-вниз (тангаж),
- у некоторых джойстиков есть четвертая ось (которую можно заменить педалями): вращение ручки вокруг своей оси (в некоторых пределах) - движение носом влево-вправо, т.к. это движение в Элите заметно ограничено по размаху\скорости, оно просто помогает немного довести нос на цель,
- у более дорогих джойстиков есть пятая ось: еще одна ручка, на которую можно назначить вертикальный подъем-снижение корабля - в Элите это не обязательно, но может облегчать посадку (хотя, для "режима с выдвинутыми шасси" можно настроить отдельный комплект клавиш в настройках) и увеличивает количество возможных маневров,
- какую-то ось (или ещё одну, если есть) можно настроить и на движение боком ("стрейф") - тоже не обязательно, но удобство и маневренность увеличивает.
Причем джойстик может быть как единым, так и в комплекте с РУД (рычагом управления двигателем) - часть осей на котором и может быть.
Плюс ещё, на джойстиках желательно очень иметь "хатку" - подвижный маленький рычажок сверху, необходимый для движения головой. Если, конечно, не планируется использовать TrackIr и прочие системы управления головой, о коих здесь:
http://www.elite-games.ru/conference/viewtopic.php?t=61060
|
Педали нужны?
Учитывая количество используемых осей - они могут быть не лишними. Хотя, при желании, можно и без них обойтись.
Игра педали поддерживает.
Игра не видит устройство.
Разработчики над этим работают. Сообщите о проблеме в данную тему, указав "Controller Name, Product and Vendor IDs".
Некоторую нужную информацию можно узнать запустив служебную программу DxDiag и перейдя на вкладку «Input».
Не надо повторно сообщать данные по устройству, если такая информация уже есть в теме.
Внимание! - Похоже игра сейчас не понимает любые устройства, в которых нет оси Х и У, т.е. "крена" и "тангажа". Можно попробовать данный способ.
Игра не видит составное устройство.
Ждём, когда проблему исправят.
Пока можно поставить программу, с помощью которой можно временно решить данную проблему.
Например программу "vJoy", а затем "Universal Joystick Remapper", в которой надо присвоить виртуальному джойстику ось реального нужного.
Инструкция от пилота ТехноМаг - подключение устройств, которые игра не видит (на примере руда Gamtrix - для которого ниже есть более новая инструкция).
Решение проблем с конкретными устройствами.
Gametrix ECS (РУД) - инструкция по обновлению прошивки от пилота ТехноМаг, прошивка прилагается.
ВКБ педали (на примере RDRXXI-1-S-Pro) - инструкция по подключению от пилота Kroki-Moki.
Включил управление взглядом, а голова не вращается.
Для хатки джойстика надо в настройках управления, разделе "Headlook Mode", назначить её оси на четыре строки "Look Left\Look Right\Look Up\Look Down" ("Смотреть влево\вправо\вверх\вниз"), плюс в первой графе ("HeadlookMode") этого раздела выбирается режим управления головой - свободный обзор или перемещение взгляда по осям с автоматическим возвратом к центру экрана.
Какие значения ("keys") можно задать для кнопок устройств?
В папке с игрой найдите каталог "ControlSchemes", в котором лежит файл "Help.txt" со списком доступных для задания значений.
Где хранятся файлы с настройками управления?
C:\Users\User name\AppData\Local\Frontier Developments\Elite Dangerous\Options\Bindings
Так же вы можете сохранить свои настройки, просто переименуйте, настроенный заранее, файл Custom.binds. В игре вы сможете выбрать переименованный вами файл.
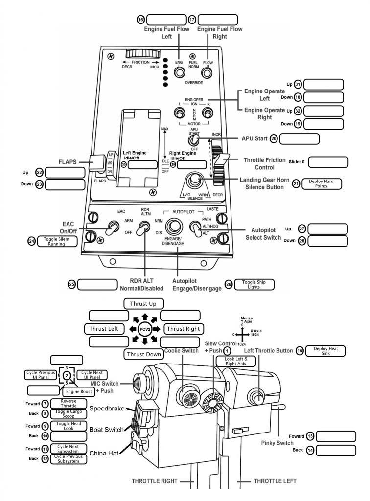
Раскладки для разных джойстиков.
|
Cкрытый текст (кликните здесь для просмотра)
Из игрового раздела помощи.
Thrustmaster HOTAS Warthog.
 <->
Saitek Х52 - раскладка от пилота ROSS_Ulair.
Также некоторые раскладки можно посмотреть здесь.
|
Памятка: тангаж\крен\рысканье.
|
Рисунок (кликните здесь для просмотра)
|
Перевод настроек управления:
См. спойлер "Перевод настроек управления".
Дополнительные опции настроек управления:
|
Cкрытый текст (кликните здесь для просмотра)
1). Переключение направления движения (задаётся в настройках):
- тяга либо переключается для движения вперёд-назад при переходе через нулевую черту,
- либо направление переключается отдельной кнопкой.
2). Опция «DeadZone» для осей задаёт т.н. "мёртвую зону" - т.е. расстояние, на которое надо подвинуть ручку джойстика или курсор мыши, чтобы корабль начал двигаться в заданном направлении.
|
Полезные программы:
1. Утилита JOYSTICK CURVES - перехватывает данные с осей вашего джойстика, корректирует кривую отклика по настройкам пользователя и направляет на виртуальный джойстик выбранный в игре как используемое устройств. В ED это Generic Joystik.
|
Возможности (перевод с сайта): (кликните здесь для просмотра)
- Поддерживает любую игру где работает виртуальный джойстик
- Встроенный редактор кривых отклика
- Мгновенное изменение , нет необходимости перегружать игру для применения новых настроек.
- Профили кривых.
- Любой DirectX Джойстик.
- Встроенный джойстик тестер.
- Поддержка дисплея Saitek X52 Pro, имя профиля на MFD
- Интеграция с Steam
|
Архив темы здесь.
_________________ Человек весом менее 80кг своего мнения иметь не может!
Последний раз редактировалось: Xrym (19:31 15-04-2015), всего редактировалось 1 раз |
|
|
|
dumkaz
80 EGP
 Рейтинг канала: 14(2306) Репутация: 1 Сообщения: 767
Зарегистрирован: 22.11.2014
 |
|
Господа, у Warthog очень сильно большой ход ручки РУД.
ТАм можно отвинтить скобу и поставить ограничитель хода ( так называемый afterburner stopper ) - и становится просто идеально, но тогда в Элите это позволяет на максимуме хода поднять скорость на 75% от максимума ( что логично )
Как мне програмно или еще как сказать РУДу что теперь до ограничителя это и есть его максимально возможный ход ?
_________________ * CMDR Dumka
* EDC Explorers |
|
|
|
Faramir
392 EGP
    Рейтинг канала: 43(9505) Репутация: 94 Сообщения: 3213 Откуда: Стрежевой, Россия Зарегистрирован: 16.02.2001
 |
|
Кстати, оказывается Thrustmaster TWCS - вполне себе продается отдельно. Не знал.
Throttlehttps://www.computeruniverse.ru/products/90670961/thrustmaster-twcs-throttle.asp
_________________ С уважением,
пилот ГСП Фарамир. |
|
|
|
bunik
157 EGP
  Рейтинг канала: 8(867) Репутация: 15 Сообщения: 1304 Откуда: Минск Зарегистрирован: 15.11.2012
 |
|
| dumkaz : |
Как мне програмно или еще как сказать РУДу что теперь до ограничителя это и есть его максимально возможный ход ?
|
просто перекалибруй на этот диапазон фирменной утилитой.
_________________ Попрошу на ТЫ!
Легион ЗА РОДИНУ! |
|
|
|
mbg
65 EGP
 Рейтинг канала: 5(233) Репутация: 8 Сообщения: 112 Откуда: Каменск-Уральский Зарегистрирован: 07.01.2015
 |
|
А Вы случайно не знаете его размеров? Что-то не могу нагуглить...
Думаю о замене своего геймтрикса. На ебее цены нормальные.
_________________ CMDR mbg |
|
|
|
Faramir
392 EGP
    Рейтинг канала: 43(9505) Репутация: 94 Сообщения: 3213 Откуда: Стрежевой, Россия Зарегистрирован: 16.02.2001
 |
|
Ну, как бы - если верить гуглу:
Item Weight 2.1 pounds
Product Dimensions 10.5 x 9.1 x 6.1 inches
Dimension
9.02" x 5.98" x 10.39"
Weight
1.57 lbs.
В русских вариантах пока не видел
_________________ С уважением,
пилот ГСП Фарамир. |
|
|
|
RenderG
2301 EGP
                  Рейтинг канала: 13(2004) Репутация: 243 Сообщения: 20536 Откуда: [OEG] Зарегистрирован: 18.09.2006
 |
|
Человек, оформивший предзаказ, отказался. Уехала другому.
_________________ No More Mr. Nice Guy!
Смирись, Пилот!
Ты будешь жалок
Всего-лишь после
Пары палок... (с) Dandy
Последний раз редактировалось: RenderG (01:43 20-02-2017), всего редактировалось 2 раз(а) |
|
|
|
kond
65 EGP
 Рейтинг канала: 7(534) Репутация: 10 Сообщения: 182
Зарегистрирован: 11.07.2014
 |
|
| RenderG : |
|
$265 вместе с всемирной доставкой, $250 с доставкой по РФ.
|
выглядит офигенно
|
|
|
|
mbg
65 EGP
 Рейтинг канала: 5(233) Репутация: 8 Сообщения: 112 Откуда: Каменск-Уральский Зарегистрирован: 07.01.2015
 |
|
Приехал ко мне Thrustmaster TWCS Throttle. В прнинципе нормально, но допиливаю...
_________________ CMDR mbg |
|
|
|
kenhen63
110 EGP
 Рейтинг канала: 12(1835) Репутация: 24 Сообщения: 1862
Зарегистрирован: 06.02.2015
 |
|
| mbg : |
|
Приехал ко мне Thrustmaster TWCS Throttle. В прнинципе нормально, но допиливаю...
|
Тоже посматриваю в его сторону. Жажду подробностей))). Поделись впечатлениями/фото/видео, плз
|
|
|
|
mbg
65 EGP
 Рейтинг канала: 5(233) Репутация: 8 Сообщения: 112 Откуда: Каменск-Уральский Зарегистрирован: 07.01.2015
 |
|
Ну фото и видео полно в инете, а мой сетап сейчас выглядит так.
Из допиливаний пока только устранение люфта ручки на направляющих. Потом может доберусь до качалки - идеи пока туманные.
По сравнению с прошлым РУДом (Gametrix ECS) есть как плюсы так и минусы. В этом всё на резюках. Причем главный резюк какой-то хитрый, есл сдохнет буду мудрить с датчиком холла. Рука на предыдущем лежала лучше, но на этом лежит ниже по вертикали, поэтому паритет. Министик под указательный палец неинформативен, надо придумать типа пупырок, чтобы лучше чувствовать направление нажатия. По пластику - на геймтриксе покрытие аля софттач ощущается лучше.
В целом покупкой весьма доволен. Кнопок больше, выглядит аутентичнее.
_________________ CMDR mbg |
|
|
|
Knower
50 EGP Рейтинг канала: 1(9) Репутация: 0 Сообщения: 4
Зарегистрирован: 12.02.2017
 |
|
| kenhen63 : |
| mbg : |
|
Приехал ко мне Thrustmaster TWCS Throttle. В прнинципе нормально, но допиливаю...
|
Тоже посматриваю в его сторону. Жажду подробностей))). Поделись впечатлениями/фото/видео, плз
|
Сами железки хороши. Что там дорабатывать? А-а-а, понял о чём mbg. Я бы поменял местами с тем, что под большим пальцем.
Я указательным ещё головой кручу.
Вот моя раскладка. Ещё недоработанная, в процессе. Отсюда и пустоты.
Замечания и комментарии приветствуются.
Последний раз редактировалось: Knower (16:39 26-02-2017), всего редактировалось 4 раз(а) |
|
|
|
mbg
65 EGP
 Рейтинг канала: 5(233) Репутация: 8 Сообщения: 112 Откуда: Каменск-Уральский Зарегистрирован: 07.01.2015
 |
|
На Gametrix'e я привык подгазовывать вперёд-назад колесом под большим пальцем. Думаю на TWCS заменить качалку на резюк и перенести на место верхнего кнюппеля. А оный перенести на место качалки - чтобы средним пальцем его нащупывать.
_________________ CMDR mbg |
|
|
|
puzz
125 EGP
 Рейтинг канала: 24(4912) Репутация: 5 Сообщения: 1160
Зарегистрирован: 13.04.2015
 |
|
Буду делать себе новый кокпит (это звучит гордо!).
Поделитесь идеями)
Нужно пристроить монитор 24" и хотас Х55. Педалей нет. Пока.
Думаю над вариантом кронштейнов с крепежом к столу, что-то типа такого: https://virpil.com/images/stories/virtuemart/product/kr_017.jpg но с подставкой под Х55. Где-то в архиве темы были варианты...
Ещё мне понравилась конструкция, которую кто-то выкладывал в этой теме, где рама соединена шарнирами с подставкой для рус и руд и убирается под стол. А на время полётов достаётся, и подставка опирается на эту раму. Тоже не могу найти...
Идея крепления рус и руд к креслу мне не нравится.
P.S. Когда что-то нужно найти на этом форуме:
_________________ Я же в космолёте, что со мной может случиться! |
|
|
|
RenderG
2301 EGP
                  Рейтинг канала: 13(2004) Репутация: 243 Сообщения: 20536 Откуда: [OEG] Зарегистрирован: 18.09.2006
 |
|
| puzz : |
|
Нужно пристроить монитор 24"
|
Если РУС и РУД к столу, то очевидно на стол.
| puzz : |
|
Идея крепления рус и руд к креслу мне не нравится.
|
При таком маленьком мониторе - да, лучше к столу.
Достаточно легкий с очень легким загрузом. Можно из ДСП сделать крепежи и петлю с защелкой под столом для убирания.
_________________ No More Mr. Nice Guy!
Смирись, Пилот!
Ты будешь жалок
Всего-лишь после
Пары палок... (с) Dandy |
|
|
|
Net-burst
261 EGP
   Рейтинг канала: 6(423) Репутация: 47 Сообщения: 1062 Откуда: Киев Зарегистрирован: 31.12.2002
 |
|
Я вот такой штукой обзавёлся: https://www.monstertech.de/en/product/joystick-hotas-table-mount/
Её можно и самому сделать, если есть доступ к инструменту. Жесткости достаточно даже для Кабана. Ну и ставить/снимать удобно. Правда, там струбцины дорогие: одна штука стоит $25.
_________________ Of all the things I lost, I miss my mind the most.
Последний раз редактировалось: Net-burst (12:05 19-03-2017), всего редактировалось 1 раз |
|
|
|
RenderG
2301 EGP
                  Рейтинг канала: 13(2004) Репутация: 243 Сообщения: 20536 Откуда: [OEG] Зарегистрирован: 18.09.2006
 |
|
| Net-burst : |
|
Её можно и самому сделать, если есть доступ к инструменту.
|
Один товарищ пытается, но беда в том, что качество хуже, а цена таже, но за счет доставки можно сэкономить. Если делать 1 в 1 к немцам получится дороже чем у немцев.
Вот почитать можно тут, если интересно.
https://forum.il2sturmovik.ru/topic/5487-bystrosyomnoe-kreplenie-rus-ili-rud-k-stolu/ (нужна регистрация на форуме il2 возможно)
_________________ No More Mr. Nice Guy!
Смирись, Пилот!
Ты будешь жалок
Всего-лишь после
Пары палок... (с) Dandy |
|
|
|
puzz
125 EGP
 Рейтинг канала: 24(4912) Репутация: 5 Сообщения: 1160
Зарегистрирован: 13.04.2015
 |
|
| RenderG : |
|
При таком маленьком мониторе - да, лучше к столу.
|
Чёрт побери! На самом деле у меня 22" монитор, купленный 10 лет назад. Решил накинуть пару дюймов, чтоб не подняли на смех из-за маленького размера, но это не помогло!
| RenderG : |
|
Достаточно легкий с очень легким загрузом. Можно из ДСП сделать крепежи и петлю с защелкой под столом для убирания.
|
Не понял про петлю с защёлкой, это как?
Интересно, такой вариант имеет право на жизнь?
|
прошу прощения за неровный почерк (кликните здесь для просмотра)
|
Было бы удобно просто задвигать рус и руд под стол, когда они не нужны.
С нижней частью понятно, там полка на мебельных уголках. К столешнице надо крепить что-то типа треков от подвесной системы шкафов купе. Только будут проблемы с жёсткостью. Лучше бы что-то посерьёзнее, на подшипниках, чтоли)
Да, спасибо, хороший вариант.
_________________ Я же в космолёте, что со мной может случиться! |
|
|
|
korych
90 EGP
 Рейтинг канала: 12(1866) Репутация: 1 Сообщения: 695 Откуда: Electra Зарегистрирован: 03.01.2015
 |
|
Люди, нормально ли элита летает при подключении разных устройств? Например, РУД от Saitek, а РУС Thrustmaster.
Заказал себе сегодня РУД Thrustmaster T.16000M FCS, ибо РУС от Saitek X55 это какой-то пыточный инструмент.
_________________ • CMDR korych • |
|
|
|
RenderG
2301 EGP
                  Рейтинг канала: 13(2004) Репутация: 243 Сообщения: 20536 Откуда: [OEG] Зарегистрирован: 18.09.2006
 |
|
Да, нормально. Я пробовал в 4 устройства одновременно. Никаких проблем.
Единственное что если какое устройство забыть подключить перед запуском игры - настройки управления пропадут. Надо игру закрыть все подключить и запустить - все вернется.
_________________ No More Mr. Nice Guy!
Смирись, Пилот!
Ты будешь жалок
Всего-лишь после
Пары палок... (с) Dandy |
|
|
|
|
|
|
|
|
Канал Elite: Dangerous: «УПРАВЛЕНИЕ: джойстики и педали, выбор и настройка. +faq» |
|
|